Elementy pasywne – Niby to takie proste – #6 – Common mode choke – zasada działania, dobór, parametry, zastosowanie
Na rozgrzewkę:
W nowoczesnej elektronice wykorzystywane są różnicowe protokoły komunikacyjne o wysokiej częstotliwości, tj. CAN, Flexray, USB czy HDMI. W celu poprawy odporności na zakłócenia protokołów komunikacyjnych stosowane są filtry. Wyzwaniem jest dobór odpowiedniego filtra, aby „odróżnił” sygnał pożądany od zakłóceń. Filtry zbudowane z cewek czy koralików ferrytowych będą tłumiły pożądany sygnał, w takim miejscu przychodzą z pomocą common mode choke, które przedstawię w poniższym artykule.
Zakres wpisu:
- Prądy różnicowe (differential currents) vs. prądy wspólne (common currents)
- Czym jest common mode choke?
- Dobór common mode choke
- Zastosowanie common mode choke
- Ciekawostki projektowe
Prądy różnicowe (differential currents) vs. prądy wspólne (common currents):
Prądy różnicowe: dzięki nim działają urządzenia, są to prądy płynące od wyższego potencjału źródła przez urządzenie do potencjału masy.
Prądy wspólne: są to prądy, które mają ten sam kierunek, czyli płyną równocześnie na obu liniach zasilających, są to prądy nieużyteczne. Prądy wspólne znajdują inną drogę powrotu do źródła zasilania, poprzez pojemności pasożytnicze, do innych potencjałów, np. potencjał ziemi, przy różnicowych protokołach komunikacyjnych do potencjału płaszczyzny masy, czy zasilania.
Dlaczego chcemy zabezpieczyć urządzenie przed prądami wspólnymi?
Są jednym z głównych źródeł emisji promieniowanej (radiated emmision), ponieważ jak widać na Rys. 1, pole pochodzące od prądów różnicowych znosi się (jeśli przewód dodatni jest umieszczony blisko ujemnego w stosunku do odległości anteny pomiarowej od mierzonego urządzenia), zaś pole pochodzące od prądów wspólnych sumuje się, jeśli są ze sobą w fazie – pochodzą z tego samego źródła.

Czym jest common mode choke?:
Jest to komponent filtrujący, który zabezpiecza układ przed zakłóceniami wspólnymi pochodzącymi z zewnątrz oraz zabezpiecza przed wychodzeniem zakłóceń z urządzenia, w którym jest zainstalowany. Składa się z minimum dwóch uzwojeń, o takiej samej liczbie zwojów, nawiniętych na wspólnym rdzeniu, w odwrotnym kierunku. Zasadę działania common mode choke przedstawiają Rys. 2 oraz Rys. 3.
- Prąd różnicowy (IDM1, IDM2) płynący przez common mode choke wytwarza strumienie magnetyczne w uzwojeniach o kierunkach przeciwnych do siebie, znosząc się, tak więc indukcyjność common mode choke jest niska, porównując do indukcyjności dla prądów wspólnych.
- Prąd wspólny (ICM1, ICM2) wytwarza strumienie magnetyczne w uzwojeniach o zgodnych kierunkach, tak więc indukcyjność dla prądów wspólnych jest wysoka.
Impedancja różnicowa common mode choke w rzeczywistości nie jest zerowa, wynika z istnienia strumienia rozproszenia.
Gwiazdki przy uzwojeniach common mode choke nie oznaczają początków uzwojeń, lecz kierunkowość sprzężenia magnetycznego uzwojeń.


Dobór common mode choke:
Dobierając common mode choke należy wziąć pod uwagę następujące parametry elektryczne:
- indukcyjność (podawana przy danej częstotliwości), czyli jak bardzo chcemy stłumić zakłócenia wspólne,
- SRF (self resonance frequency), czyli jakiej częstotliwości zakłóceń chcemy się pozbyć. Jeśli znamy częstotliwość zakłóceń wspólnych, należy dobrać SRF common mode choke w pobliżu częstotliwość zakłóceń,
- nominalny prąd, czyli jakiego prądu różnicowego spodziewamy się w układzie,
- rezystancja DC uzwojeń: należy obliczyć straty mocy DC przy spodziewanym prądzie różnicowym na podstawie podanej wartości rezystancji uzwojeń oraz wzrost temperatury komponentu,
- nominalnego napięcia, czyli z jakim napięciem będzie pracował komponent, aby nie uszkodzić jego izolacji między zwojami.
Impedancja różnicowa common mode choke jest niska, lecz należy o niej pamiętać w aplikacjach, gdzie występuje bardzo wysoka częstotliwość.

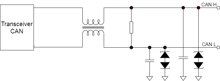
Zastosowanie common mode choke:
Common mode choke wykorzystywany jest w szczególności:
- w różnicowych protokołach komunikacyjnych tj. CAN, FlexRay, gdzie ważny jest sygnał różnicowy, zaś sygnał wspólny nie jest istotny,
- w wejściowych filtrach EMI przetwornic.

Ciekawostki projektowe:
Projektując PCB należy pamiętać o nie prowadzeniu ścieżek oraz o nie wylewaniu poligonu masy pod common mode choke, co zapobiega bocznikowaniu common mode choke poprzez sprzężenie pojemnościowe z płaszczyzną masy.
Nieekranowane komponenty magnetyczne nie powinny być umieszczane bardzo blisko siebie, ponieważ zakłócenia pochodzące z innego układu mogą przenosić się do drugiego poprzez sprzężenie magnetyczne. Druga rzecz to komponenty powinny być umieszczane pod odpowiednim kątem w stosunku do siebie, tak aby zniwelować sprzężenie magnetyczne pomiędzy strumieniami upływu komponentów.
Common mode choke ma dużo wyższy prąd saturacji dla sygnałów różnicowych (co wynika ze znoszenia się strumieni magnetycznych).
[1] Dostęp w internecie: https://www.murata.com/en-global/products/productdetail?partno=DLW43SH510XK2%23
