Przetwornica flyback – #1 – Zasada działania, założenia projektowe, wybór dedykowanego sterownika, wybór transformatora
Na rozgrzewkę:
Jakiś czas temu wykonałem projekt przetwornicy flyback, która pierwotnie miała służyć jako zasilacz do pewnego urządzenia. Wspomniane urządzenie będzie zasilane z zasilacza zakupionego na rynku, a przetwornica została. Dlatego postanowiłem ją wykorzystać jako źródło wiedzy, jaką mogę Tobie przekazać Drogi Czytelniku. W kilku wpisach opiszę Ci wszystkie fazy projektu od koncepcji po testy.
Zakres wpisu:
- zasada działania przetwornicy flyback
- założenia projektowe
- wybór sterownika
- wybór transformatora
Zasada działania przetwornicy flyback:
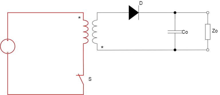
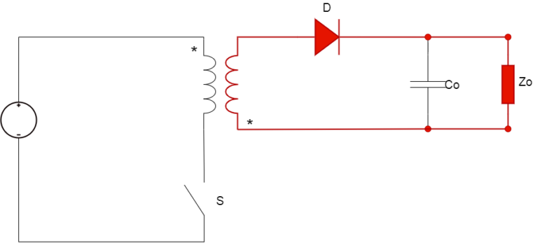
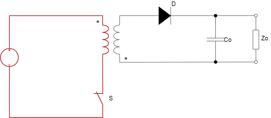
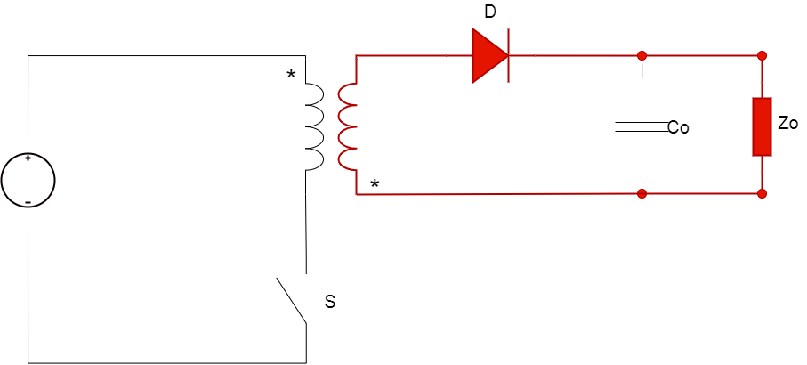
Przetwornica flyback działa w dwóch taktach, pierwszy z nich występuje w momencie załączenia tranzystora. Energia pobierana jest ze źródła i magazynowana w transformatorze. Dioda wyjściowa jest spolaryzowana w kierunku zaporowym, a energia do obciążenia pobierana jest z kondensatora wyjściowego.

W drugim takcie tranzystor jest wyłączony, dioda spolaryzowana jest w kierunku przewodzenia, energia zmagazynowana w transformatorze przekazywana jest do obciążenia.

Założenia projektowe:
W projekcie założyłem następujące parametry:
- minimalne napięcie wejściowe AC RMS: 207V
- maksymalne napięcie wejściowe AC RMS: 253V
- częstotliwość napięcia zasilania: 50Hz
- napięcie wyjściowe: 12V
- moc wyjściowa: 96W
- sprawność przetwornicy: ~80%
Wybór dedykowanego sterownika:
Mój wybór padł na sterownik TOP258YN firmy POWER INTEGRATIONS. Sterownik oferuje następujące funkcje:
- monitoring napięcia wejściowego: zabezpiecza urządzenie przed zbyt niskim napięciem zasilania, jak i przed zbyt wysokim
- zabezpieczenie przed zbyt wysokim napięciem wyjściowym
- jitter częstotliwości kluczowania
- zabezpieczenie temperaturowe
- możliwość zdalnego wyłączania sterownika
Wybór transformatora:
Na podstawie powyższych założeń wybrałem transformator TI-ETD29-2396. Dobrany transformator wykonany został przez firmę Ferryster i ma następujące parametry:
- liczba zwojów uzwojenia pierwotnego: 43
- liczba zwojów uzwojenia wtórnego: 4
Dobrany transformator jest projektowany pod sterownik TOP258YN
Podsumowanie:
Pierwszy wpis dotyczący projektu przetwornicy flyback jest wstępem do serii kilku artykułów. W kolejnych wpisach skupię się na konkretach projektowych.
