Przetwornica flyback – #3 – Układ RCD
Na rozgrzewkę:
W tym wpisie zajmę się opisem obwodu RCD, który zabezpiecza przed wysokim napięciem pojawiającym się na drenie tranzystora podczas jego wyłączania. Wysokie napięcie pochodzi od indukcyjności pasożytniczej transformatora, które może uszkodzić tranzystor. Dlatego równolegle do pierwotnego uzwojenia transformatora dodałem układ RCD. Dobór tego układu jest bardzo istotny ze względu na żywotność projektowanego urządzenia, dlatego ważne jest, aby dobrać go w odpowiedni sposób.
Zakres wpisu:
- Indukcyjność pasożytnicza transformatora
- Układ RCD
- Zasada działania
- Dobór komponentów
Indukcyjność pasożytnicza transformatora:
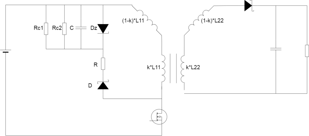
Indukcyjność rozproszenia uzwojenia pierwotnego odpowiada za tą część strumienia magnetycznego, który nie przenika do uzwojenia wtórnego. Działa to też w drugą stronę, indukcyjność rozproszenia uzwojenia wtórnego odpowiada za tą część strumienia magnetycznego, który nie przenika do uzwojenia pierwotnego. Indukcyjność pasożytnicza jest związana z polem magnetycznym występującym pomiędzy uzwojeniem pierwotnym i wtórnym, co przedstawia Rys. 1. ɸ12 jest to strumień, który przenika do uzwojenia pierwotnego, zaś ɸl1, ɸl2 są strumieniami rozproszenia.

Dobrym zobrazowaniem indukcyjności rozproszenia jest przedstawienie schematu elektrycznego transformatora. Parametr k jest to współczynnik sprzężenia uzwojeń, jest on zawsze mniejszy od 0.

Układ RCD:
Wysokonapięciowe pulsy pojawiają się podczas wyłączania tranzystora z powodu wyżej wspomnianej indukcyjności pasożytniczej transformatora. Bez układu RCD energia zgromadzona w indukcyjności pasożytniczej nie ma drogi ujścia.
W moim projekcie układ składa się z diody Zenera (Dz), diody Schottky’ego (D), kondensatora (C), oraz trzech rezystorów (Rc1, Rc2, R), co przedstawia Rys. 3.

Zasada działania:
Układ RCD zapewnia drogę do przepływu prądu podczas wyłączenia tranzystora pochodzącego z energii zmagazynowanej w indukcyjności pasożytniczej transformatora. Prąd płynący do układu RCD jest ograniczany przez rezystor R. Następnie przewodzi dioda Zenera Dz i doładowywany jest kondensator C. Wygenerowane napięcie jest ograniczane do wartości napięcia Zenera diody Dz.

Podsumowanie:
W następnym wpisie z tej serii zajmę się obliczeniem wartości komponentów w obwodzie RCD.
