Przetwornica flyback – #5 – Obliczenia filtru wyjściowego oraz układu snubber diody prostowniczej
Na rozgrzewkę:
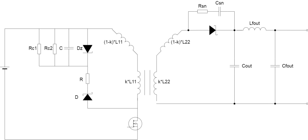
W tym wpisie zajmę się doborem wartości filtru wyjściowego, oraz układu snubber diody wyjściowej. Na końcu przedstawię porównanie za pomocą symulacji przebiegów ze wspomnianymi komponentami jak i bez nich.
Zakres wpisu:
- Filtr wyjściowy
- Układ snubber wyjściowej diody prostowniczej
- Symulacja w LTspice
Filtr wyjściowy:
Kondensator Cout filtruje napięcie wyjściowe, ważną rzeczą jest zastosowanie kondensatora o niskim ESR lub użycie kilku połączonych równolegle w celu zmniejszenia ESR.
Filtr wyjściowy zbudowany z Lfout, Cfout służy do tłumienia zakłóceń pochodzących od przełączania tranzystora.
Ważną uwagą jest to, aby:
- filtr miał częstotliwość odcięcia dużo niższą niż częstotliwość przełączania, z reguły 1/10-1/5 częstotliwości przełączania,
- kondensator Cfout miał niską wartość ESR. Wynika to z faktu, że podczas pulsów prądowych kondensator Cfout będzie w pierwszej chwili dostarczał energię do wyjścia, ponieważ główny kondensator Cout umieszczony jest za cewką, która to będzie ograniczała pulsy prądowe.


Układ snubber wyjściowej diody prostowniczej:
Kiedy tranzystor po stronie pierwotnej załącza się powstają wysokonapięciowe oscylacje na diodzie prostowniczej po stronie wtórnej. Oscylacje są spowodowane poprzez pasożytniczą pojemność diody prostowniczej oraz indukcyjność pasożytniczej strony wtórnej transformatora. W celu zredukowania oscylacji używa się układu RC snubber równolegle do diody prostowniczej.

Do wyliczenia wartości komponentów układu snubber potrzebuje wartości indukcyjności strony wtórnej transformatora oraz pojemności pasożytniczej diody diody. Wartość indukcyjności pasożytniczej można uzyskać od producenta transformatora lub mierząc, wartość pojemności diody z dokumentacji.

Znając pojemność pasożytniczą diody i indukcyjność rozproszenia można wyliczyć okres oscylacji z następującego wzoru:

Symulacja w LTspice:
Pierwszy przebieg przedstawia napięcie przed diodą wyjściową bez układu snubber:

Następnie dołożyłem układ snubber:

Przebieg napięcia przed i po filtrze wyjściowym:

