Sterownik PWM – #3 – Dobór multipleksera
Na rozgrzewkę:
W sterowniku zdecydowałem się na pomiar napięcia na każdym wyjściu w celu diagnostyki zwarcia wyjścia do GND. Pomiar napięcia jest niezbędny, ponieważ typ pomiaru prądu jaki zastosowałem w projekcie (Low Side) nie zabezpiecza przed zwarciem do GND. Tranzystory podające napięcie na obciążenie są przewymiarowanie około 4-krotnie, dlatego diagnostyka nie musi być realizowana bardzo szybko, co było argumentem ku użyciu multiplekserów. Częstotliwość mierzonego sygnału nie będzie wysoka, około 200 Hz, lecz dobierając multiplekser do wymagającej aplikacji musimy wziąć pod uwagę szereg parametrów, co przybliżę Ci we wpisie.
Zakres wpisu:
- Topologia multiplekserów
- Źródła potencjalnych błędów
- Niwelowanie offset’u wprowadzanego przez Ron
Topologia multiplekserów:
Kanały multipleksera wykonywane są w technologii CMOS, czyli są złożone z dwóch tranzystorów jednego PMOS i drugiego NMOS. Rozwiązania z pojedynczym tranzystorem na kanał są już niewykorzystywane. Wersja z dwoma tranzystorami ma następujące zalety:
- zmniejszenie rezystancji kanału w porównaniu do jednego tranzystora
- praca od ujemnego do dodatniego napięcia zasilania
Wadą jest zwiększenie pojemności wewnętrznej, wynikającej z podwójnej pojemności źródła i drenu tranzystora PMOS i NMOS.
PMOS przewodzi dodatni sygnał wejściowy, NMOS ujemny.

Na poniższej charakterystyce (multiplekser Nexperia 74HC4051PW) rezystancji kanału multipleksera zaznaczyłem obszary przewodzenia danego typu tranzystora NMOS, PMOS. Poniżej niebieskiej krzywej przewodzi tranzystor NMOS, zaś powyżej czerwonej PMOS.

Źródła potencjalnych błędów:
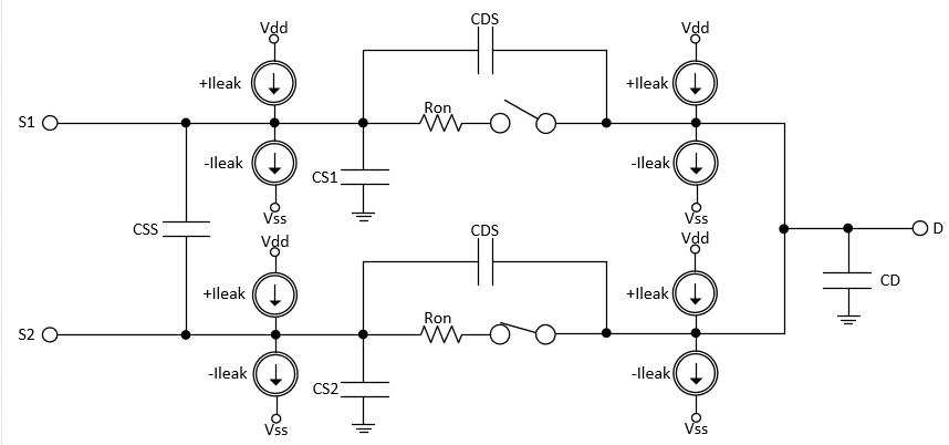
Podczas projektowania systemu pomiarowego z wykorzystaniem multiplekserów musimy wziąć pod uwagę kilka potencjalnych źródeł błędów. Poglądowo zostały one przedstawione na poniższym rysunku. W dalszej części wpisu przybliżę Ci każdy z nich.

Źródła potencjalnych błędów:
- Offset w stanie załączenia: spowodowany spadkiem napięcia na rezystancji kanału Ron oraz rezystancji obciążenia Rload. Kiedy kanał jest załączony błąd ten głównie jest wprowadzany przez prąd upływu Ileakage oraz rezystancję kanału Ron. W poniższym równaniu przyjęto założenie, że rezystancja źródła sygnału wejściowego jest równa 0.


- Offset w stanie wyłączenia: spowodowany spadkiem napięcia na rezystancji obciążenia w momencie wyłączenia kanału. Błąd ten zależy od prądu upływu i rezystancji obciążenia.


- Pojemność w stanie załączenia: jest sumą pojemności źródła Cs oraz drenu Cd. Podczas analizy pojemności wejściowej należy wziąć pod uwagę także rezystancję wejściową. Rezystancja wejściowa z pojemnościami źródła i drenu tworzy układ RC. Na podstawie stałej czasowej wspomnianego układu należy dobrać czas próbkowania.


- Pojemności w stanie wyłączenia: rozpatrujemy osobno Cs oraz Cd.
- Czas stabilizacji napięcia wyjściowego: należy wziąć pod uwagę jeśli multiplekser przełącza kanały o różnych napięciach wejściowych. Na stronie Analog Devices znajdziesz użyteczne narzędzie związane z tym parametrem https://www.analog.com/en/design-center/interactive-design-tools/settle-multiplexers.html
- Izolacja sygnału wejściowego od wyjściowego: parametr ten jest podawany w zależności od częstotliwości. Fizycznie wynika z istnienia pojemności źródło-dren, która to zwiera sygnały wyższych częstotliwości. Aby uzyskać jak największą izolację, należy dobrać multiplekser o jak najmniejszej pojemności Cds. W notach katalogowych znajdziesz charakterystykę tłumienia sygnału wyjściowego od częstotliwości.

- Przesłuch (crosstalk) kanał-kanał: za ten parametr odpowiedzialna jest pojemność Css, zgodnie z Rys. 3. Parametr ten przedstawiany jest w dokumentacjach w formie charakterystyki częstotliwości od tłumienia. Na charakterystykach również umieszczane są przebiegi dla sąsiadujących oraz nie sąsiadujących kanałów.


Niwelowanie offset’u wprowadzanego przez Ron:
Offset wprowadzany przez rezystancję kanału multipleksera możesz zniwelować wprowadzając na jego wyjście element o dużej impedancji wejściowej – wzmacniacz operacyjny. Wspomniany wzmacniacz należy użyć w konfiguracji wtórnika emiterowego, co jest przedstawiono na Rys. 9.

[1] https://www.tme.eu/Document/3f34687dfa88726222cf3a8254a5641d/74HC4051PW-DTE.pdf
[2] https://www.analog.com/media/en/training-seminars/tutorials/MT-088.pdf
[3] https://training.ti.com/ti-precision-labs-multiplexers
