Z życia elektronika – #3 – Pomiary mostkiem RLC
Na rozgrzewkę:
Podczas wprowadzania urządzenia na rynek powinno być ono testowane pod względem odporności na wyładowania elektrostatyczne ESD (Electrostatic Discharge). Testy te są wykonywane za pomocą urządzenia emitującego impulsy napięciowe nawet do 30kV. Wyładowania są kierowane w obudowę jak i bezpośrednio w piny. Przed wykonaniem testów należy dokonać pomiarów pojemności wejściowej każdego pinu względem GND przed i po testach ESD. Do pomiarów stosowane są mostki RLC. Dlatego też w tym wpisie chcę Tobie przedstawić jak odpowiednio wykonywać pomiary parametrów urządzenia.
Do rzeczy:
Współczesne mostki RLC są przystosowane do pomiaru impedancji AC, rezystancji stałoprądowej, indukcyjności, pojemości, kąta stratności, ESR, współczynnika stratności jak i dobroci. Z reguły współczynnik stratności stosowany jest przy pomiarach kondensatorów, zaś dobroć przy pomiarach cewek.
Procedura pomiaru:
- Wybór układu połączeń
- Wybór napięcia i częstotliwości sygnału testowego
- Wybór trybu pomiarowego (szeregowy czy równoległy)
- Kalibracja zwarciowa i rozwarciowa
- Jeśli wykonujemy pomiar kondensatora należy go rozładować
Układy połączeń:
- Układ 2-przewodowy
Układ ten wprowadza znaczne błędy związane z rezystancją, indukcyjnością oraz pojemnością pasożytniczą przewodów pomiarowych.

- Układ 3-przewodowy
Układ ten wykorzystuje kable koncentryczne, w celu zmniejszenia wpływu pojemności pasożytniczej przewodów pomiarowych.

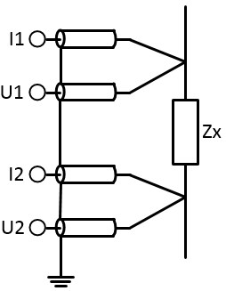
- Układ 4-przewodowy
Poprzez wstrzykiwanie prądu i pomiar spadku napięcia przy badanym komponencie, układ ten znacznie redukuje wpływ rezystancji przewodów pomiarowych.

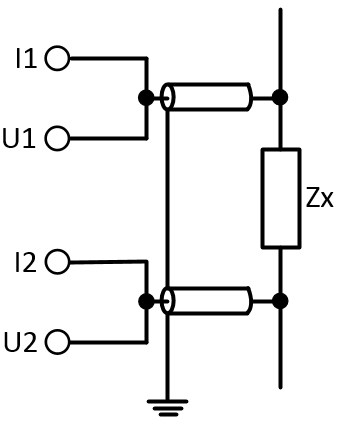
- Układ 5-przewodowy
Jest połączeniem układu 3- i 4-przewodowego. Układ ten wykorzystuje kable koncentryczne.

Napięcie i częstotliwość sygnału testowego
Mostki RLC używają sygnału testowego o zmiennej wartości napięcia jak i częstotliwości. Możliwość dopasowania poziomu napięcia sygnału testowego jest szczególnie użyteczna podczas pomiarów gotowego urządzenia. Poziom napięcia można dopasować tak, aby był poniżej napięcia przewodzenia diod, co pomaga gdy chcemy mierzyć tylko i wyłącznie dany element. Wartość częstotliwości testowej zależy od mierzonego elementu. Do pomiaru kondensatorów o pojemności mniejszej niż 0,01µF stosuję się częstotliwość 1kHz lub wyższą, zaś kondensatory o pojemności wyższej niż 10µF sprawdza się częstotliwością 120Hz. Do pomiarów cewek pracujących z wysokimi częstotliwościami (częstotliwości radiowe) stosuję się sygnał o częstotliwości 1kHz lub wyższej. Jeśli cewka charakteryzuje się indukcyjnością poniżej 2mH częstotliwość sygnału testowego powinna wynosić 1kHz lub wyżej. Aby być pewnym wyboru odpowiedniej częstotliwości testowej należy poszukać informacji w nocie katalogowej.
Tryb pomiarowy (szeregowy czy równoległy)
Pomiary elementów biernych można wykonywać w trybach szeregowym i równoległym. Tryby pracy uwzględniają, która rezystancja (szeregowa czy równoległa) jest znacząca dla badanego komponentu. Pomiary cewek w trybie szeregowym wykonuje się kiedy dobroć cewki jest niska. Kiedy cewka służy do pracy z wysokimi częstotliwościami z rdzeniem ferromagnetycznym występują znaczne straty na prądy wirowe w tym przypadku korzystniejszy jest pomiar w trybie równoległym. Reasumując jeśli indukcyjność cewki jest mała stosowany jest pomiar w trybie szeregowym, zaś jeśli indukcyjność jest duża wtedy wykorzystywany jest tryb równoległy.
Pomiary kondensatorów wykonywane są w trybie szeregowym dla dużych pojemności zaś małe pojemności mierzone są w trybie równoległym.
Kalibracja zwarciowa i rozwarciowa
Kalibracja jest wykonywana w celu uwzględnienia przez mostek parametrów przewodów pomiarowych, tak aby nie wprowadzały dodatkowego błędu.
Autor artykułu
Mateusz Pluta

Cytuje „Reasumując jeśli indukcyjność cewki jest mała stosowany jest pomiar w trybie równolełym, zaś jeśli indukcyjność jest duża wtedy wykorzystywany jest tryb równoległy. ”
Chyba coś nie tak?
Witja, dziękuję za wskazanie błędu we wpisie i przepraszam.
Błąd we wpisie został poprawiony.
Aaaa